service sav
sav@froid-regis.fr
Commande par chèque / contre-remboursement
frais de port expédition hors de France Métropolitaine
Accueil / Pièces détachées / Grains / HOSHIZAKI / FM-AE
Prix Nets H.T. en Euros - Tarif 2024/2025 - Prix départ usine - prix révisables sans préavis - installation non comprise.
Pièces de rechange d'origine, ci-dessous liste de pièces d'usures les plus courantes, nous pouvons fournir toutes autres pièces sur demande.
Préciser bien lors de votre commande la référence, le n° de série et le gaz utilisé par votre machine.
Tarifs pièces sur demande
| Rep. | Références | Photos | Désignations | Prix € H.T. |
|
|---|---|---|---|---|---|
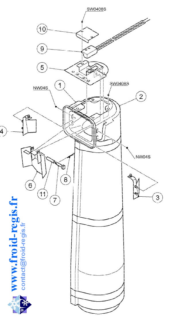
| 01 | HOF-KC301 | Moto réducteur complet 100V/50-60Hz pour FM251 à partir n/S B-0 pour FM481 pour FM600 à partir n/s D-1 New code 448861-01 Merci d'indiquer |
868 |
Frais de port hors de en stock ou 48h |
|
| 03 | HOF-C303 | Palier inférieur pour FM251-481-600 code 206657G02 Merci d'indiquer |
429 |
Frais de port hors de en stock ou 48h |
|
| 05 | HOF-C305 | Joint torique pour FM251-481-600 code 7616-G065 Merci d'indiquer |
64 |
Frais de port hors de en stock ou 48h |
|
| 06 | HOF-C306 | Joint mécanique pour FM251-481-600 New code 432492-01 Merci d'indiquer |
211 |
Frais de port hors de en stock ou 48h |
|
| 07 | HOF-C307 | Vis sans fin pour FM251-481-600 code 120863G02 Merci d'indiquer |
1 396 |
Frais de port hors de en stock ou 48h |
|
| 11 | HOF-C311 | Tête d'extrusion (Grains) pour FM251-481 Merci d'indiquer |
410 |
Frais de port hors de en stock ou 48h |
|
| 11 | HOF-C311N | Tête d'extrusion (Nuggets) pour FM251-481 -(N) Merci d'indiquer |
441 |
Frais de port hors de en stock ou 48h |
|
| 11 | HOF-C611 | Tête d'extrusion (Grains) pour FM600 Merci d'indiquer |
480 |
Frais de port hors de en stock ou 48h |
|
| 11 | HOF-C611N | Tête d'extrusion (Nuggets) pour FM600 -(N) Merci d'indiquer |
724 |
Frais de port hors de en stock ou 48h |
|
| 14 | HOF-C314 | Couteau (Grains) pour FM251-481-600 code 317071-02 Merci d'indiquer |
280 |
Frais de port hors de en stock ou 48h |
|
| 14 | HOF-C314N | Couteau (Nuggets) pour FM251-481-600 -(N) code 327145-01 Merci d'indiquer |
164 |
Frais de port hors de en stock ou 48h |
|
| 19 | HOF-C20 | Capteur de rotation pour FM251-481-600 New code 459861-03 Merci d'indiquer |
191 |
Frais de port hors de en stock ou 48h |
Autres pièces tarif sur demande
| Rep. | Références | Photos | Désignations | Prix € H.T. |
|
|---|---|---|---|---|---|
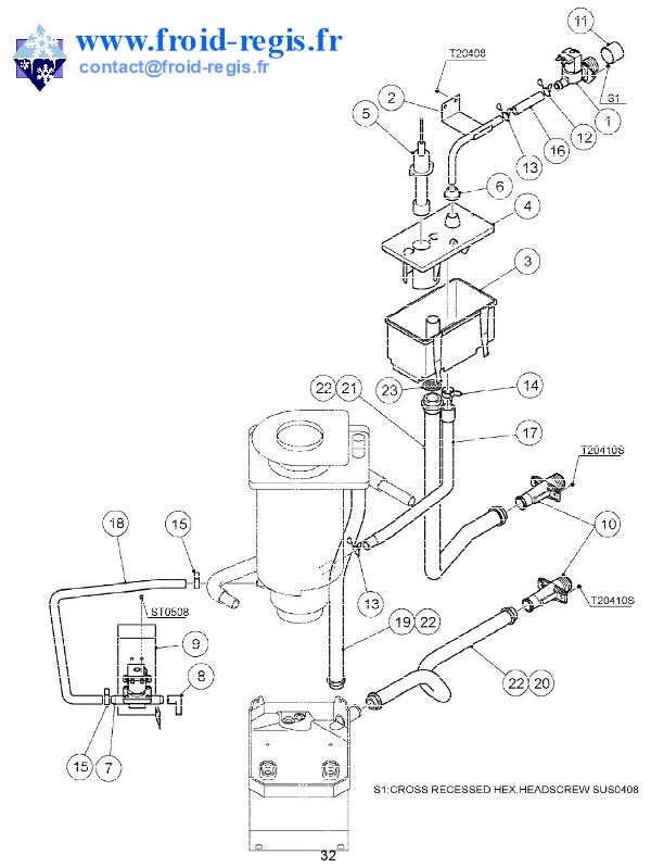
| 01 | HOF-D01 | Electrovanne arrivée d'eau 24V pour FM80 à 600 - CM140 code 452993-01 Merci d'indiquer |
51 |
Frais de port hors de en stock ou 48h |
|
| 05 | HOF-D07 | Micro contact à flotteur pour FM80 à 600 - CM140 Merci d'indiquer |
131 |
Frais de port hors de en stock ou 48h |
|
| 03 | HOF-D11 | Bac à eau code 232626-01 Merci d'indiquer |
51 |
Frais de port hors de en stock ou 48h |
|
| 04 | HOF-D12 | Couvercle bac à eau code 232627-01 Merci d'indiquer |
41 |
Frais de port hors de en stock ou 48h |
|
| D | HOF-D00 | Boite à flotteur cuve + couvercle + contact à flotteur Merci d'indiquer |
169 |
Frais de port hors de en stock ou 48h |
|
| 07 | HOF-D26 | Electrovanne de vidange 24V pour FM251-481-600-CM140 Merci d'indiquer |
121 |
Frais de port hors de en stock ou 48h |
Autres pièces tarif sur demande


| Rep. | Références | Photos | Désignations | Prix € H.T. |
|
|---|---|---|---|---|---|
| 03 | HOF-E03 | Micro contact de sécurité pour FM80 à 600 - CM140 code 443992-02 Merci d'indiquer |
59 |
Frais de port hors de en stock ou 48h |
|
| 09 | HOF-EG09 | Micro contact stockage pour FM251-481-600 code 4A2033-01 Merci d'indiquer |
239 |
Frais de port hors de en stock ou 48h |
Autres pièces tarif sur demande
| Rep. | Références | Photos | Désignations | Prix € H.T. |
|
|---|---|---|---|---|---|
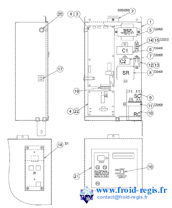
| 03 | HOF-JG03 | Carte électronique / Controller board pour FM251-481-600 Merci d'indiquer |
565 |
Frais de port hors de en stock ou 48h |
|
| 12 | HOF-JG12 | Relais / Relay pour FM251-481-600 Merci d'indiquer |
73 |
Frais de port hors de en stock ou 48h |
|
| 18 | HOF-JG18 |
|
Carte de commande / Operation board pour FM251-481-600 Merci d'indiquer |
117 |
Frais de port hors de en stock ou 48h |
| 16 | HOF-JG16 | Interrupteur / Rocket switch pour FM251-481-600 Merci d'indiquer |
38 |
Frais de port hors de en stock ou 48h |
|
| 05 | HOF-JG05 | Transformateur / Transformer pour FM251-481-600 Merci d'indiquer |
- | - |
Autres pièces tarif sur demande
| Rep. | Références | Photos | Désignations | Prix € H.T. |
|
|---|---|---|---|---|---|
| 08 | HOF-M01E-15 | Moteur ventilateur / Fan motor pour FM251-600(haut) Merci d'indiquer |
137 |
Frais de port hors de en stock ou 48h |
|
| 08 | HOF-M01E-20 | Moteur ventilateur / Fan motor pour FM481(haut/bas)-600(bas) Merci d'indiquer |
345 |
Frais de port hors de en stock ou 48h |
Autres pièces tarif sur demande
| Rep. | Références | Photos | Désignations | Prix € H.T. |
|
|---|---|---|---|---|---|
| 04 | HOF-N04 | Flexible arrivée d'eau / Inlet hose pour FM - code P03534-01 Merci d'indiquer |
41 |
Frais de port hors de en stock ou 48h |
|
| 05 | HOF-N05 | Flexible évacuation d'eau / Outlet hose pour FM - code 452365-01 Merci d'indiquer |
55 |
Frais de port hors de en stock ou 48h |
Autres pièces tarif sur demande
Tarifs pièces sur demande
FROID REGIS - FRANCE
Service S.A.V - tel. 01.89.16.44.78
mail : contact@froid-regis.fr - https://www.froid-regis.fr
Retour sur le site FROID REGIS cliquer ici